Product Detail
Product Tags
| Item No. |
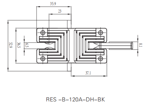
RES-B-120A-DH-BK
|
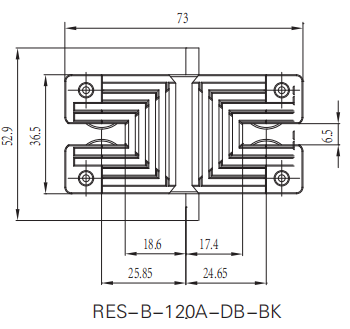
RES-B-120A-DB-BK
|
| Color: |
BK
|
BK
|
| Rated Voltage(V) |
1500DC
|
1500DC
|
| Rated Current(A) |
120,250
|
120,250
|
| Inter Copper Strap Thickness |
5.6-6.2mm
|
| Working Temp. |
-40℃-+105℃
|
| IP Level |
IP20
|
| Flammability |
UL 94 V-0
|
| Material |
PA
|
| Standard |
IEC61984
|
| Diagram |
 |
 |
Previous:
RES-P-….B-40 Screw Connector For ESS
Next:
RCJ-250A Busbar Connector For ESS